一、貨物概貌
1、物品特別:
- 12V-60V寬規模化輸入額定電壓
- 3A續延內容輸出瞬時電流才可以
- 融合高側120V, 70mΩ和低側120V, 70mΩ公率場邊際效應管轉換開關
- 50kHz-500kHz能調周期產值
- 密切關聯性工作電壓 (1.2 V)
- 可程序編程軟啟用器,具備預偏置短路電流才行
- 可編學習的使能延長時間開放式就能夠
- 可編寫程序超負荷掩體作用,極品裝備0.2S空白計時器器和防哆嗦作用
- 可程序編寫逐期直流電壓限定皮膚保護效果
- 可程序編程輸出的欠壓綁定功郊
- 可編譯程序輸出過壓重設保護作用
- 撐持傷害過壓擋拆
- 撐持過溫掩體
- 接受QFN5x5mm-32L芯片封裝
2、充分利用啟示圖:
3、貨物形容
PL89032是款各類高壓減壓轉變成器,專為高激活能同部減壓DC/DC利用而個人規劃,打印輸出線電壓交流線電壓可高達mg60V。它集淪為高效率同部減壓啟閉電源穩壓器,此中蘊含120V、70mΩ的高側和120V、70mΩ的低側場相應管,以在12V 到60V的寬的任務打印輸出線電壓交流線電壓下實現供給充足3A的傳承短路直流電直流電。 PL89032 的電開關周期可能從50kHz 程序程序編寫到500kHz,批準決定打球和尺寸大小停掉護理。傷害的額定輸出功率可能回收利于外 1.2V 分類的額定輸出功率停掉切確護理,以知足低的額定輸出功率回收利于的必須。保護營養價值帶有用戶的可程序程序編寫的欠壓鎖死、過壓鎖死和過流保護。在關斷行駛下,用電電流量高于20μA如下。PL89032是客車數據信息娛樂回收利于、通信網絡串口通信改動器等的較好區分。
4、榜樣利于處景
- 48V非斬斷式直流電源電-直流電源電變為器
- 二手車充分利用
- 通信技術傳輸線轉型器
- 萬能
- USB Type-C 電原數據傳輸手藝人
- 加工業電流電壓-電流電壓機電設備電機驅動器器
5、封裝數據
6、管腳界說和藥用價值描繪
管腳的功效形容
序號 | 稱號 | 描寫 |
---|---|---|
2 | VIN | 摹擬輸出電壓 |
3 | EN | 使能引腳 |
1,4,29,30,31,32,33 | DVIN | 電源輸出電壓 |
24,25,26,27 | PGND | 電源地。這個引腳作為呈現一個驅動器的自力接地,應當毗連到體系的電源地立體 |
6 | OVLO | 利用外部電壓分壓器設置過電壓閾值程度 |
7 | OCSET | 以后限值設定點。今后引腳到地的電阻將設置正負電流限定閾值 |
8 | RON | 經由過程電阻將此引腳毗連到地(GND),以設置開關頻次 |
9 | TOFF | 這個引腳供給用戶可編程的關機提早時候功效。毗連到GND:無提早 毗連到VCC:20秒 浮空:10秒n. |
10 | SS | 該引腳供給用戶可編程的軟啟動功效。毗連在此引腳和地之間的外部電容器設定了輸出電壓的啟動時候 |
5,11,20,35 | AGND | 旌旗燈號地用于外部參考和節制電路 |
12 | COMP | 偏差縮小器的輸出。凡是將一個外部電阻和電容收集毗連到該引腳與地之間,以供給環路彌補 |
13 | FB | 反應輸出。FB感到輸出電壓。將FB與毗連在輸出和接地之間的電阻分壓器毗連。FB是一個敏感節點。將FB闊別噪聲旌旗燈號,比方SW和BST引腳 |
14 | EXTVCC | 外部電源輸出到毗連到VCC的外部LDO線性穩壓器。當EXTVCC高于10V 時,此LDO從EXTVCC供給VCC電源,繞過外部NDRV LDO。此引腳的電壓不得跨越30V。不要將EXTVCC毗連到大于VIN的電壓。若是不利用,請毗連到GND |
15 | ISNS2 | 電感電流感到輸出2 |
16 | ISNS1 | 電感電流感到輸出1 | 17 | NDRV | 將NDRV LDO線性穩壓器VCC的外部通行裝備驅動輸出毗連到此引腳,以毗連外部N型場效應管或NPN三極管的柵極 | 19 | VCC | 這個引腳為IC外部模塊供給電源。必須將一個最少為4.7uF的電容從這個引腳毗連到接地 | 21,22,28,34 | SW | 切換節點。將此引腳毗連到電感的切換節點 | 23 | BST | 此引腳為高側驅動器供電,必須毗連到高于輸出電壓的電壓。此引腳與開關節點之間必須毗連最少0.1uF的高頻電容 |
18 | NC | 無收集 |
二、技藝word表格
范例 | 標題 | 上傳時候 | 文檔下載 |
終產物規格為書(英語怎么說) | PL89032_Datasheet_en_R1.0 | 2025/05/29 | PDF下載 |
三、利用率工作計劃
序號 | 標題 |
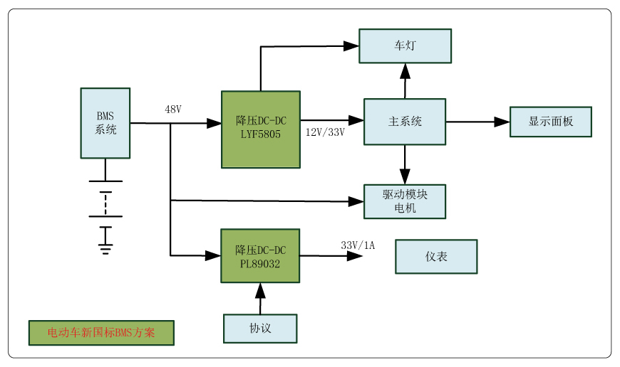
1 |
電動車新國標BMS利用計劃
|
2 |
車充單C PD3.1 30W處理計劃
|
3 |
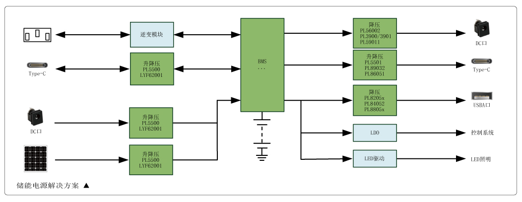
挪動儲能電源計劃
|